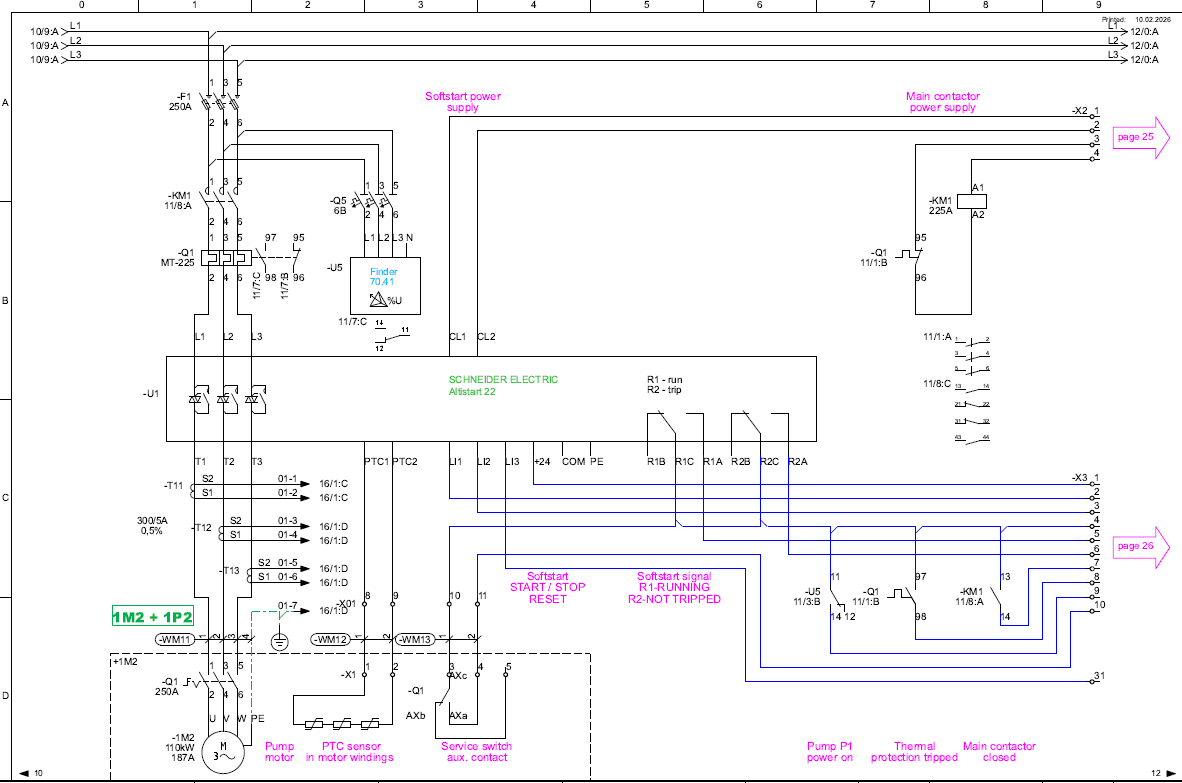
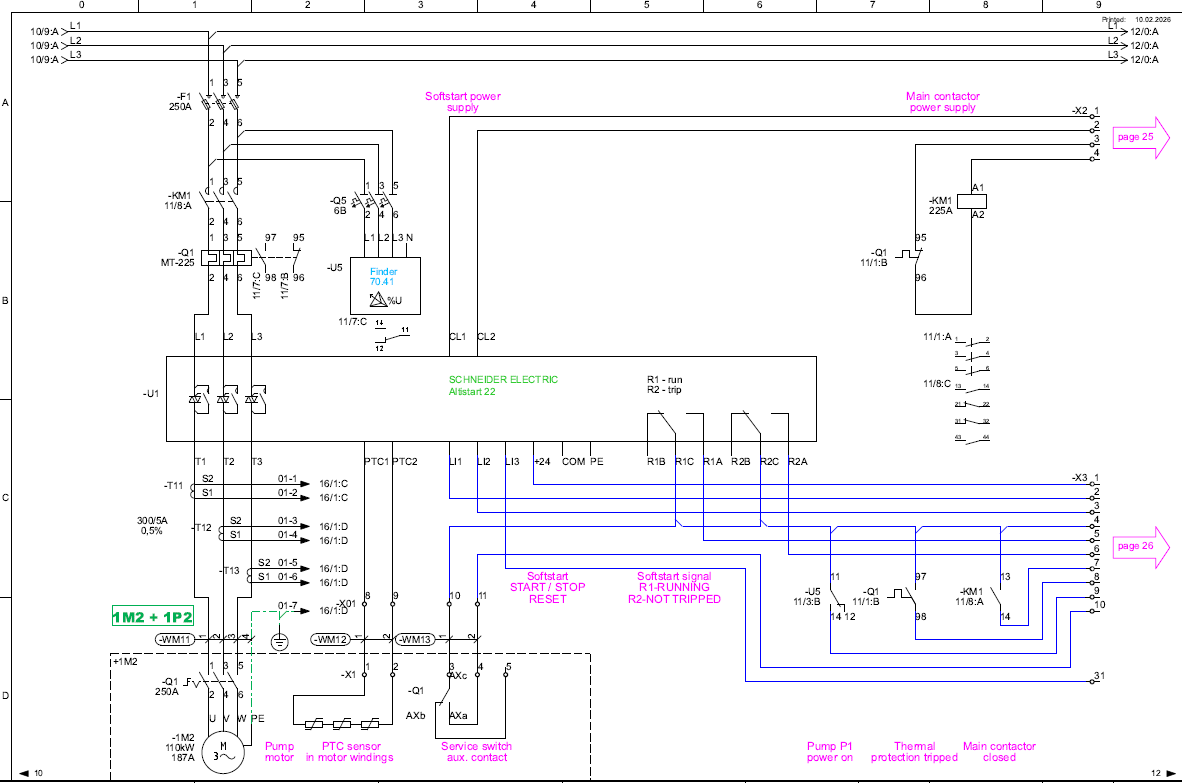
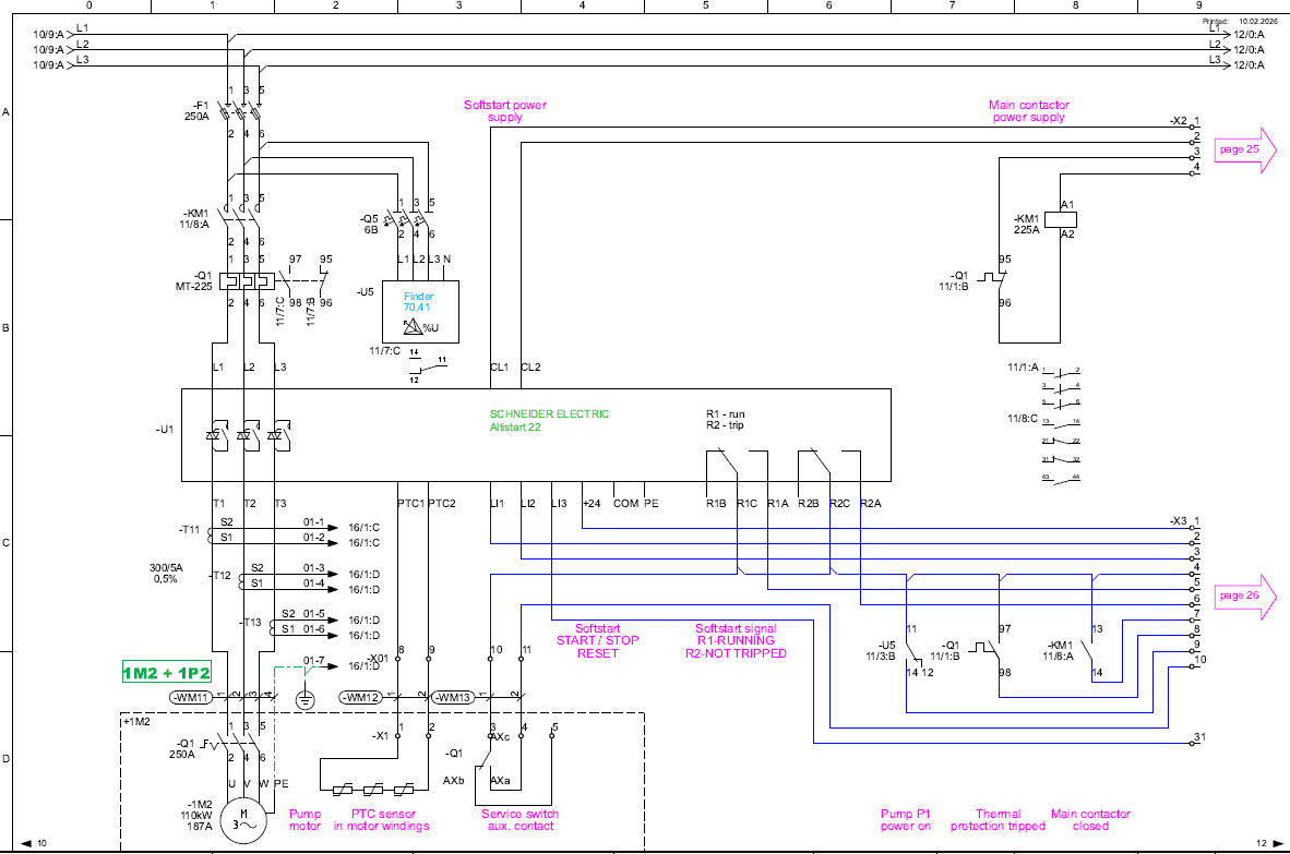
Projektowanie
Projektowanie stanowi fundament każdego systemu automatyki. To na tym etapie podejmowane są decyzje, które mają kluczowy wpływ na niezawodność, bezpieczeństwo oraz możliwość dalszego rozwoju instalacji. Tworzymy projekty dopasowane do indywidualnych potrzeb obiektu i procesu, ze szczególnym uwzględnieniem rozwiązań niestandardowych, wymagających doświadczenia i elastycznego podejścia.












